The VFZ701A-5W Is designed for 575V power supply and is generally considered to be the variation designed for use in Canada. Please see the VFZ701A-7W for the model designed for wider ranges of voltage and 50/60 Hz power supply.
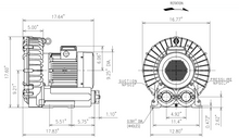
The VFZ701A-5W is a single-stage ring compressor by Fuji Electric™ with a maximum pressure of 87 in. H2O, a maximum vacuum of 99 in. H2O, and a maximum capacity of 250 SCFM. It comes complete with a direct-drive, 6.7 horsepower, TEFC motor capable of operating on 575 VAC at 60 Hz. This is a direct-fit replacement for the discontinued models VFC700A-5W and VFC704A-5W.
This is a 3-phase unit with a manual motor starter (MMS) that combines circuit breaker and thermal overload relay functions and allows for manual operation. This model features NEMA class B insulation and meets NEMA Premium IE3 efficiency standards. It is UL, CSA and CE certified as well as RoHS compliant. All products come with Fuji's standard warranty.
Orders fulfilled by Fuji Electric™. For more info, see manufacturer's website for VFZ Series Ring Compressors.



