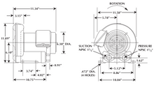
The VFC400P-5T is a single-stage ring compressor with a maximum pressure of 54.5 in. H2O, a maximum vacuum of 50 in. H2O, and a maximum capacity of 98 SCFM. It comes complete with a direct-drive, 1 horsepower, TEFC motor capable of operating on a wide range of voltages, and on 50 or 60 Hz.
This is a 1-phase unit with a pilot-duty thermal protector. This model features NEMA class B insulation, is UL recognized, CSA certified and CE. All products come with Fuji's standard warranty.
Orders fulfilled by Fuji Electric™. For more info, see the manufacturer's website for VFC Series Ring Compressors.



