The VFC804A-7WS has been discontinued and superseded by the VFC805A-7WS. Designed by Fuji Electric™ to be more efficient, the 805A is a direct-fit replacement.
This is the OEM blower for TransLogic® pneumatic tube systems by Swisslog™ that utilize the Fuji Electric™ VFC804A-7WS ring compressor.
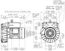
The VFC804A-7WS ring compressor models have been discontinued by the manufacturer. A copy of the legacy spec sheet for the VFC80 series can be downloaded here.
The new model is the VFC805A-7WS, and it is a direct-fit replacement manufactured by Fuji Electric™. A detailed comparison of dimensions can be found on the product page as well as performance data.
Orders fulfilled by Fuji Electric™. For more info, see the manufacturer's website for VFC Series Ring Compressors.




