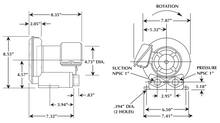
The VFC100P-5T is a single-stage ring compressor with a maximum pressure of 27.5 in. H2O, a maximum vacuum of 26 in. H2O, and a maximum capacity of 27 SCFM. It comes complete with a direct-drive, 1/6 horsepower, TENV motor capable of operating on a wide range of voltages, and on 50 or 60 Hz.
This is the 1-phase unit with built-in automatic reset thermal protectors. This model features NEMA class B insulation, is UL recognized, CSA certified and CE. All products come with Fuji's standard warranty.
Orders fulfilled by Fuji Electric™. For more info, see the manufacturer's website for VFC Series Ring Compressors.
*For the 3-phase model, please see the VFC100A-7W product page.



