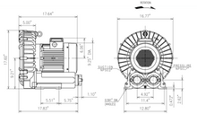
The VFZ701A-7W is a single-stage ring compressor by Fuji Electric™ with a maximum pressure of 130 in. H2O, a maximum vacuum of 99 in. H2O, and a maximum capacity of 250 SCFM. It comes complete with a direct-drive, 6.7 horsepower, TEFC motor capable of operating on a wide range of voltages, and on 50 or 60 Hz. This is a direct-fit replacement for the VFC700A-7W.
This is a 3-phase unit with a manual motor starter (MMS) that combines circuit breaker and thermal overload relay functions and allows for manual operation. This model features NEMA class B insulation and meets NEMA Premium IE3 efficiency standards. It is UL, CSA and CE certified as well as RoHS compliant. All products come with Fuji's standard warranty.
Orders fulfilled by Fuji Electric™. For more info, see manufacturer's website for VFZ Series Ring Compressors.



